4 Autonegocjacja w rozwiązaniach sieci Ethernet bazujących na medium miedzianym
W trakcie opracowywania założeń Fast Ethernetu postanowiono, że musi on współpracować z urządzeniami starszej generacji, zapewniając mechanizmy ułatwiające konfigurowanie współpracujących urządzeń. „Funkcja Autonegocjacji pozwala urządzeniu powiadomić inne urządzenie o różnych trybach pracy jakie może zrealizować, a także rozpoznać odpowiednie tryby pracy jakie może zgłaszać urządzenie, z którym jest połączone. Głównym celem funkcji Autonegocjacji jest zapewnienie środków do wymiany informacji pomiędzy dwoma urządzeniami dzielącymi wspólne łącze i automatyczna konfiguracja obu urządzeń, tak aby wykorzystać ich maksymalnie możliwości” (5). Zaproponowane rozwiązanie, bazujące wyłącznie na przesyłaniu impulsów w warstwie fizycznej, bez angażowania wyższych warstw protokolarnych, pozwala urządzeniom na obu końcach łącza informować o obsługiwanych trybach pracy, potwierdzać odbiór i zrozumienie wiadomości konfiguracyjnych, wybierać najlepszy z obsługiwanych przez oba urządzenia tryb pracy na podstawie ustalonych priorytetów i blokować tryby nieobsługiwane przez drugą stronę przekazu. Ważną cechą jest możliwość współpracy urządzenia wyposażonego w autonegocjację z urządzeniem jej pozbawionym (lub z wyłączoną funkcją autonegocjacji). W takim przypadku urządzenie dostosuje się, w miarę możliwości, do narzuconego przez współpracujące urządzenie trybu pracy.
Rys. 60 Różnorodność wykrywanych standardów w funkcji „Parallel Detection"1
Wbudowany w funkcję autonegocjacji mechanizm równoległego wykrywania (ang. Parallel detection) pozwala na wykrywanie urządzeń standardów 10-BASE-T, 100BASE-TX, 100BASE-T4 oraz dzięki możliwości przyszłej rozbudowy będzie mógł rozpoznawać inne wprowadzone później standardy (Rys. 60). Autonegocjacja została wprowadzona 1995 roku jako rozwiązanie opcjonalne dla sieci 100-megabitowych. Zalecenia zostały opisane w dodatku 28 (ang. Clause 28) do specyfikacji standardu IEEE 802.3. W edycji standardu z 2005 roku autonegocjacja jest wyspecyfikowana jako rozwiązanie obligatoryjne dla rozwiązań gigabitowego Ethernetu, opisane w dodatku 37 i 402. Specyfikacja rozszerzenia autonegocjacji dla sieci 10-gigabitowego Ethernetu opisana jest w dodatkach 45 i 55. Funkcja autonegocjacji musi zapewniać zestawienie połączenia dwustronnego podczas uruchamiania urządzeń, jak również wznawiać połączenie w przypadku zwarcia, rozwarcia kabla lub zaniku transmisji (spowodowanej zanikiem napięcia, restartem samoistnym bądź wymuszonym przez operatora). Musi działać pewnie w środowisku szumów i zakłóceń w kablach, sama nie powodując zakłóceń radioelektrycznych, w szczególności takich, które mogłyby powodować zakłócenia transmisji w sąsiednich kablach3.
4.1 Opis mechanizmu
Dla sygnalizacji gotowości do pracy tylko w starym trybie 10BASE-T wystarczy, aby karta emitowała pojedyncze impulsy LP4 w odstępie 16 ms (±8 ms)5. Wykorzystano tę właściwość i zaproponowano zmianę nazwy tych impulsów na NLP6, a inne tryby pracy sygnalizować impulsami pogrupowanymi w paczki (ang. Burst). Szybko następujące po sobie impulsy w liczbie od 17 do 33 w odstępie 62,5 µs (±30 µs) nazwano akronimem FLP7. Cały komunikat powinien być nadawany cyklicznie, w niezmienionej treści, w takim samym odstępie czasowym jak pojedyncze impulsy NLP (Rys. 61).

Rys. 61 Zależności czasowe pomiędzy impulsami NLP a paczkami impulsów FLP8
Budowa komunikatu zawartego w paczce FLP opiera się na założeniu, że impulsy synchronizujące transmisję (zegarowe) będą nadawane naprzemiennie z impulsami informacyjnymi. Komunikat zaczyna się pierwszym impulsem zegara, po nim następuje pierwszy bit danych pierwszego bajtu. W analogiczny sposób przesyłane są pozostałe bity 16-bitowego słowa (Rys. 62).

Rys. 62 Naprzemienne położenie impulsów informacyjnych i zegarowych w paczce FLP9
Obecność impulsu w oczekiwanym miejscu oznacza jedynkę logiczną, brak impulsu – zero logiczne. Bity ustawione na poszczególnych pozycjach oznaczają typ sieci, zdolność karty do pracy w określonym trybie i dodatkowe pola sygnalizacyjne umożliwiające rozbudowę standardu (Rys. 63).
Rys. 63 Kodowanie bitowe w paczce impulsów FLP10
Pierwszych pięć bitów oznaczonych S0-S4 zgrupowanych jest w pole informacyjne typu sieci (ang. Selector field), kolejnych osiem oznaczonych A0-A7 składa się na pole informacyjne dostępnych trybów pracy (ang. Technology ability field). Pozostałe trzy bity służą do sygnalizacji błędu, potwierdzenia odbioru paczki FLP od partnera i zamiarze nadania kolejnego komunikatu (Rys. 64).
Bit RF (D13) w ramce autonegocjacji, domyślnie wyzerowany. Kiedy bit RF podczas rejestracji zgłoszenia Autonegocjacji jest ustawiony, bit RF w transmitowanej ramce również prymuje wartość 1. Gdy bit RF w ramce odbieranej jest ustawiony, bit RF w rejestrze statusu MII jest również ustawiany. Operacja Pauzy używana jest do kontroli przepływu ramek przez określony czas, w celu zapobiegania zatorom w sieci. Pole MAC Control Parameters zawiera liczba 512-bitowych okresów, którą należy odczekać przez wznowieniem transmisji. Operacja PAUSE nie może być używana do kontroli transmisji ramek MAC Control. Ramki PAUSE powinny być wysyłane tylko w trybie pełnodupleksowym. Symetryczna Pauza oznacza wysyłanie ramek pauzy w obu kierunkach. Asymetryczna Pauza oznacza, że urządzenie wspiera wysyłanie ramek pauzy tylko w jednym kierunku.
Rys. 64 Pola i bity informacyjne w paczce FLP11
Bit ACK (D14) jest używany do wskazania, że urządzenie pomyślnie odebrało ramkę autonegocjacji. Jeżeli żadne następne strony nie są wysyłane, bit ACK powinien być ustawiony na 1 po odebraniu przynajmniej trzech kolejnych spójnych paczek FLP (ignorując wartość ACK). Jeżeli informacje Next Page będą wysyłane, bit ACK ustawiany jest na 1, po odebraniu przez urządzenie przynajmniej trzech następujących po sobie i pasujących paczek FLP (ignorując ACK) i pozostanie ustawiony dopóty, dopóki informacje Next Page nie zostaną załadowane do rejestru przesyłania Next Pages.
Bit NP (D15) będzie zawsze wynosił zero, jeżeli urządzenie nie obsługuje funkcji Next Page. Jeżeli urządzenie ma zaimplementowaną obsługę funkcji Next Page i chce zaangażować się w wymianę kolejnej strony informacyjnej, wartość bitu powinna zostać ustawiona na jeden. W przypadku gdy obsługa Next Page jest zaimplementowana, jednak urządzenie nie chce z niej korzystać, bit powinien być wyzerowany. Urządzenia Fast Ethernetowe nie używają bitu NP, został on przewidziany jako możliwość rozbudowy autonegocjacji w przypadku rozwoju standardu Ethernet.
Ze względu na fakt, że transmisja następuje bezpołączeniowo, jako sposób zapewnienia niezawodności transmisji stosuje się wielokrotne nadawanie tego samego komunikatu. Dopiero po trzykrotnym odebraniu identycznej paczki FLP uznaje się informację za odczytaną bezbłędnie. Jest to rozwiązanie niedoskonałe, powodujące opóźnienia w przypadku pracy w zakłóconym środowisku, ale w większości przypadków wystarczające i powszechnie akceptowane, ponieważ nawet 1-2-sekundowa konfiguracja automatyczna jest szybsza i wygodniejsza niż ręczne ustawianie parametrów kart i przełączników. W przypadkach, kiedy autonegocjacja zawodzi, co jak pokazuje praktyka może mieć miejsce w przypadku użycia urządzeń sieciowych różnych producentów12, istnieje możliwość jej wyłączenia i dokonania konfiguracji manualnie.
Przebieg autonegocjacji, zarejestrowany programowym analizatorem, skonstruowanym w Interoperability Laboratory13 na uniwersytecie New Hampshire dobrze obrazuje zależności pomiędzy żądaniami a potwierdzeniami i momentem rozpoczęcia pracy (Rys. 65). Średni czas zmierzony od momentu fizycznego połączenia urządzeń do rozpoczęcia transmisji wyniósł 250 ms.

Rys. 65 Przebieg autonegocjacji 10/10014
Rysunek 66 obrazuje kolejność przesyłania paczek FLP w czasie od momentu połączenia urządzeń, do momentu rozpoczęcia transmisji Ethernetowej. Stacje wyposażone w mechanizm autonegocjacji oznaczono literami A i B. Kolorami czerwonym i zielonym oznaczono ramki propozycji trybu pracy, zaś żółtym i niebieskim ramki potwierdzeń (ACK).

Rys. 66 Przebieg autonegocjacji w 100BASE-T15
4.1.1 Związek autonegocjacji z modelem ISO/OSI
Funkcja autonegocjacji jest zawarta w warstwie fizycznej modelu ISO/OSI (Rys. 67). „Urządzenia, które mają możliwość posługiwania się kilkoma trybami pracy mogą zgłosić tą informację posługując się Autonegocjacją. W praktyce cały transfer informacji o możliwościach urządzenia jest zauważalny jedynie na medium lub MDI. Sygnalizacja Autonegocjacji nie pojawia się zarówno w AUI jak MII. Natomiast kontrola procesu Autonegocjacji może się odbywać poprzez interfejs zarządzania MII lub jego odpowiednik” (5).
Autonegocjacja współpracuje z warstwą MAC. „Proces autonegocjacji ma miejsce przed aktywacją PMA oraz PMD, zaś jej rejestry sterujące znajdują się w podwarstwie PMA lub PCS. To pozwala na komunikację z warstwą MAC poprzez warstwę jednolicącą (ang. Reconciliation Layer). Inne podwarstwy warstwy fizycznej również mogą współdziałać z Autonegocjacją. Warstwa fizyczna kontroluje proces Autonegocjacji.

Rys. 67 Miejsce autonegocjacji w modelu warstwowym ISO/OSI16
Rejestry przechowują informację o zdolnościach urządzenia i w jakich trybach może ono pracować, oraz pozwalają warstwie fizycznej włączać i wyłączać różne dostępne PMA’s jak również restartować proces Autonegocjacji” (5).

Tab. 10 Rejestry autonegocjacji17
Szesnastobitowe rejestry kontrolne autonegocjacji zawierają szereg znaczników odzwierciedlających stan łącza, listę dostępnych trybów własnych oraz zdalnego partnera. Część z nich może być ustawiana przez operatora, np. w celu wymuszenia określonego zachowania, zaś pozostałe służą funkcjom kontrolnym.
Jednym z ważniejszych jest rejestr 0 (Tab. 11), zwany sterującym (ang. Control register). Przechowuje on informację o dostępnych trybach pracy. Jest to rejestr modyfikowalny przez operatora, który może zablokować dostępność poszczególnych, wymusić restart bądź całkowicie wyłączyć funkcję autonegocjacji.

Tab. 11 Rejestr sterujący autonegocjacji18
4.1.2 Kompatybilność urządzeń 10BASE-T i 100BASE-T
Funkcja autonegocjacji została zaprojektowana w ten sposób, aby była w pełni kompatybilna wstecz oraz współpracowała z urządzeniami standardu 10BASE-T. Aby to osiągnąć, autonegocjacja wspierająca dane urządzenie jest wyposażona w odpowiednie funkcje (ang. Receive Link Integrity Test function). Obsługiwane jest również łączenie z urządzeniami standardów 100BASE-TX oraz 100BASE-T4 niewyposażonych w mechanizmy Autonegocjacji, poprzez funkcję wykrywania równoległego (ang. Parallel Detection), opisaną w kolejnym podrozdziale. Łączenie z technologiami innych standardów jak 10BASE-T, 100BASE-TX czy 100BASE-T4, które nie zawierają mechanizmu autonegocjacji, nie jest obsługiwane.
W przypadku gdy oba urządzenia obsługują autonegocjację, to po odebraniu paczek FLP od partnera potwierdzają wybrany tryb pracy taką samą paczką z ustawionym dodatkowo bitem potwierdzenia ACK (ang. Acknowledgment). Po obustronnym potwierdzeniu urządzenia rozpoczynają pracę z najwyższą wynegocjowaną prędkością, zgodnie z listą priorytetów:
- 100BASE-T2 Full Duplex,
- 100BASE-TX Full Duplex,
- 100BASE-T2,
- 100BASE-T4,
- 100BASE-TX,
- 10BASE-T Full Duplex,
- 10BASE-T.
W przypadku gdy jedno z urządzeń nie obsługuje autonegocjacji i rozpoczyna transmisję w znanym sobie trybie, to podłączone do niego urządzenie z funkcją autonegocjacji przy użyciu mechanizmu równoległego wykrywania rozpozna je i dostosuje się do jego wymagań. Urządzenie wyposażone w autonegocjację może modyfikować ramkę, aby zablokować zdolności które posiada, ale nie będzie nadawać zdolności, których nie posiada. Dzięki temu możliwe jest rozróżnienie na zdolności lokalne oraz ogłaszane, aby urządzenia wielotrybowe mogły negocjować tryb o niższym priorytecie niż najwyższa możliwa wspólna zdolność lokalna.
4.1.3 Niedopasowanie dupleksu
W przypadku łączenia urządzenia niewyposażonego w autonegocjację (lub z wyłączoną funkcją autonegocjacji) o ustalonym manualnie trybie półdupleksowym może się zdarzyć, że urządzenie współpracujące wybierze tryb zgodny pod względem szybkości, ale pełnodupleksowy. Spowoduje to konflikt dupleksowy (ang. Duplex mismatch) powodujący błędy w transmisji.
Rozwiązaniem problemu jest manualne wymuszenie trybu półdupleksowego w urządzeniu z autonegocjacją. „Gdy jedno urządzenie pracuje w systemie pełnego dupleksu, natomiast drugie działa w półdupleksie, połączenie działa na bardzo małej prędkości, jeśli oba urządzenia próbują wysłać ramki w tym samym czasie. Dzieje się tak, ponieważ dane mogą być przesyłane w obu kierunkach jednocześnie w trybie pełnego dupleksu, ale tylko w jednym kierunku w tym samym czasie, w trybie półdupleksowym. W rezultacie urządzenie w trybie full duplex może przekazywać dane, gdy je odbiera. Jednakże, jeżeli inne urządzenie pracuje w półdupleksie, nie odbiera danych podczas wysyłania; natomiast wykrywa kolizję i próbuje retransmitować wysłaną wcześniej ramkę.
W zależności od czasu wykrycia kolizji urządzenie działające w trybie półdupleksowym może wykryć spóźnioną kolizję19, którą zinterpretuje jako poważny błąd transmisji, a nie efekt działania CSMA / CD i nie będzie retransmitował ramki. Z drugiej strony, urządzenie działające w trybie pełnego dupleksu, nie wykrywa kolizji nie wysyła ponownie ramki, nawet jeśli inne urządzenie odrzuciło ją jako uszkodzoną w wyniku kolizji. Urządzenie działające w pełnym dupleksie nie spodziewa się, że przychodzące ramki mogą być odrzucane przez wykrycie kolizji, będzie zgłaszać błędy sum kontrolnych ramek.
Kombinacja późno wykrytych kolizji na urządzeniu działającym w trybie półdupleksowym i błędów sum kontrolnych zgłaszanych przez urządzenie działającym w trybie półdupleksowym może świadczyć o wystąpieniu niedopasowania trybu dupleks w sieci. Utrata pakietów następuje, gdy oba urządzenia nadają w tym samym czasie. Pakiety mogą być również tracone, gdy połączenie z perspektywy użytkownika jest tylko w jednym kierunku; połączenie TCP wymaga, aby odebranie każdego pakietu było potwierdzone przez urządzenie odbierające. W rezultacie, nawet jeśli rzeczywiste dane są wysyłane tylko w jednym kierunku, mogą powstawać kolizje z potwierdzeniami pakietów przesyłanymi w przeciwnym kierunku” (6).
4.1.4 Pomiary autonegocjacji 10/100
W celu dokonania pomiarów oscyloskopowych mających za zadanie zobrazowanie zjawisk, kształtów impulsów i zależności czasowych niezbędne okazało się przystosowanie karty sieciowej do podłączenia dwóch kanałów pomiarowych oscyloskopu. Konieczność ta wynikła z braku dostępności dwóch identycznych sond różnicowych.
W celu dokonania podłączenia niezakłócającego transmisji w torze wykonałem dwa transformatory szerokopasmowe, o przekładni 1:1 z uzwojeniami wyposażonymi w odczepy analogicznie do oryginalnych, wyposażone w dodatkowe uzwojenia pomiarowe, o przekładni 1:2. Transformatory nawinąłem na rdzeniach dwuotworowych RKS 13x7x12-U8020, stosowanych do szerokopasmowych wzmacniaczy w-cz, zapewniających pasmo przenoszenia 100 kHz – 1 GHz.
Zrezygnowałem z zastosowania filtrów dolnoprzepustowych i elementów filtracji zakłóceń współbieżnych, gdyż chciałem jak najlepiej zobrazować istotę modulacji, zaś filtr dolnoprzepustowy powoduje znaczne wygładzenie zboczy ze względu na redukcję wyższych harmonicznych. Fakt usunięcia filtrów nie zakłóca transmisji sygnału, wprost przeciwnie, polepsza nieco jakość sygnału odbieranego, rekompensując spadek poziomu wynikły z wtrącenia dodatkowego obciążenia układem pomiarowym i odkształcenia w wyniku zwiększonych pojemności montażowych i indukcyjności doprowadzeń.

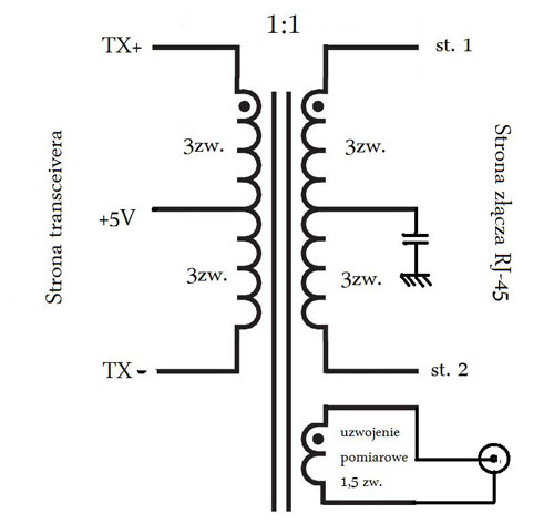
Rys. 68 Schemat transformatora pomiarowego [opracowanie własne]
Uzwojenia robocze zostały nawinięte bifilarnie dla zapewnienia najwyższej liniowości, zaś uzwojenie pomiarowe zostało nawinięte jako 3 zwoje z odejściem z jednej strony. Wszystkie uzwojenia wykonałem przewodem srebrzonym w izolacji teflonowej. Parametry dynamiczne transformatora zostały sprawdzone przed pomiarami przy użyciu wobuloskopu21, potwierdzając jego liniowość (z zafalowaniem do 3 dB) w paśmie 5-450 MHz. Schemat uzwojeń transformatorów pomiarowych prezentuje rysunek 68. Wszystkie te zabiegi miały na celu maksymalnie wierne odwzorowanie kształtu przebiegów impulsowego o stromych zboczach przez jak najmniejsze obciążenie linii. Modyfikacji poddałem kartę 3Com 3C-905C-TX-M, ze względu na szerokie możliwości konfiguracyjne i dobre parametry jakościowe oraz dostępność noty aplikacyjnej układu hybrydowego BEL S558-599922, zawierającego zespół transformatorów i filtrów liniowych. Po usunięciu oryginalnego zespołu transformatorów zastąpiłem go własnymi (Fot. 26).

Fot. 26 Modyfikacja karty 3Com 3C-905C-TX-M – transformatory i gniazda pomiarowe [fot. własna]
Za pomocą tak przygotowanej karty i dwóch sond pasywnych LeCroy PP06 (Fot. 15) zarejestrowałem szereg przebiegów charakterystycznych dla autonegocjacji 10/100. Pierwsze pomiary miały zobrazować budowę paczek FLP i zachowanie karty oczekującej na połączenie. Kartę ustawiłem w tryb automatycznego wyboru medium, za pomocą narzędzia wbudowanego w system operacyjny. Impulsy, jakie udało się zarejestrować, potwierdzają zgodność karty ze standardem. Karta emituje paczki impulsów na parze nadawczej 1-2 w odstępie czasowym 11,8 ms, co mieści się w granicach ustalonych przez standard23. Wynik pomiaru obrazuje rysunek 69. Zmierzona amplituda impulsów nieobciążonej karty wynosi 2,6V (wynik pomiaru razy 2, ze względu na przekładnię transformatora pomiarowego). Pomimo dużego zagęszczenia impulsów przy tak dobranej podstawie czasu widać, że paczka zawiera dane (pojawiają się szczeliny pomiędzy impulsami).
Rys. 69 Paczki impulsów FLP (Fast Link Pulse) strony bazowej autonegocjacji [opracowanie własne]
Kolejny pomiar dotyczył częstotliwości impulsów zegarowych w paczce FL. Pomiar został zrealizowany przy podstawie czasu 50 µs/działkę. Na oscylogramie (Rys. 70) widać zarówno pomiar odstępu pomiędzy taktami zegara (markery X1-X2) wynoszącego 128 µs, jak i sposób kodowania informacji w postaci obecności impulsu danych lub jego braku.
Rys. 70 Pomiar odstępu pomiędzy impulsami zegara w paczce FLP [opracowanie własne]
Oscylogram (Rys. 71) obrazuje kształt i parametry pojedynczego impulsu z paczki FLP – szerokość impulsu 2,8 µs oraz czasy narastania i opadania około 1,6 µs.
Rys. 71 Pojedynczy impuls z paczki FLP [opracowanie własne]
Kolejnym zadaniem, które chciałem zrealizować, było sprawdzenie możliwości zdekodowania treści paczki FLP na podstawie obrazu zarejestrowanego oscyloskopem. W początkowym okresie trudność sprawiła mi impulsowa natura przebiegów, która w połączeniu z doborem podstawy czasu i liczby próbek powodowała zanikanie poszczególnych impulsów i zafałszowany pomiar. Dopiero wykorzystanie funkcji „Peak-Detect” i zaawansowanej synchronizacji ustalonym kształtem przebiegu dostępnej w oscyloskopie rejestrującym HP 54540A pozwoliło na opracowanie zestawu nastaw umożliwiającego niezawodne rejestrowanie całych paczek FLP. Paczka zarejestrowana na oscylogramie (Rys. 72) niesie następującą informację:
- Bit S0 = 1 bity S1-S4 = 0 – sieć typu Ethernet 802.3,
- Bit A0 = 1 – dostępny tryb 10 Mb/s półdupleks,
- Bit A1 = 1 – dostępny tryb 10 Mb/s pełny dupleks,
- Bit A2 = 1 – dostępny tryb 100 Mb/s TX półdupleks,
- Bit A3 = 1 – dostępny tryb 100 Mb/s TX pełny dupleks,
- Bit A4 = 0 – niedostępny tryb 100 Mb/s T4,
- Bit A5 = 1 – dopuszczalna pauza w czasie transmisji dupleksowej,
- Bit A6 = 0 – niedopuszczona pauza asymetryczna,
- Bit A7 = 0 – bit zarezerwowany, zawsze 0,
- Bit RF = 0 – nie ma błędu,
- Bit ACK = 0 – to nie jest potwierdzenie (czyli jest to ramka trybów oferowanych),
- Bit NP. = 0 – nie będzie kolejnej paczki informacyjnej.
Rys. 72 Paczka impulsów FLP niosąca informację o oferowanych przez kartę trybach pracy [opracowanie własne]
Kolejny pomiar (Rys. 73) demonstruje zależności czasowe pomiędzy dwoma kontaktującymi się ze sobą urządzeniami. Do dokonania tej rejestracji użyłem tej samej karty sieciowej oraz przełącznika Ethernetowego CISCO 3550-EMI. Kanał pierwszy (c1) obrazuje przebieg sygnału w parze nadawczej 1-2 karty sieciowej, zaś kanał trzeci (c3) sygnał w parze odbiorczej 3-6. Zmierzone przesunięcie między paczkami nadawanymi przez te urządzenia wynosi 6,68 µs.
Rys. 73 Dialog pomiędzy urządzeniami przy użyciu paczek impulsów FLP [opracowanie własne]
Kształt przebiegu w paczkach obserwowanych przy takich nastawach oscyloskopu może sugerować, że impulsy są symetryczne względem zera, jednakże jest to błąd cyfryzacji i działania układu Peak-Detect. Pomimo małej skali, w dalszym ciągu rozdzielczość oscyloskopu pozwala na zauważenie treści informacyjnej niesionej przez paczki FLP.
Ostatnim pomiarem w serii badań karty 10/100, który chciałem zrealizować, była próba zarejestrowania kompletnego przebiegu procesu autonegocjacji od momentu połączenia urządzeń kablem do rozpoczęcia transmisji z wynegocjowaną prędkością.
Rys. 74 Przebieg autonegocjacji od podłączenia do urządzeń do rozpoczęcia transmisji [opracowanie własne]
Z uwagi na spodziewany czas autonegocjacji mogący wynieść nawet jedną sekundę niezbędne wydało mi się wykorzystanie funkcji rejestracji w oscyloskopie. Najlepszy wynik (Rys. 74) udało mi się zarejestrować przy podstawie czasu 40 ms/działkę i 500 kilo próbek/kanał.
Pierwsze cztery impulsy widoczne na rysunku mają amplitudę 2,6 V. Jest to sytuacja, kiedy karta nie jest obciążona. Miejsce oznaczone markerem X1 to moment podłączenia 20 metrowego kabla skrętkowego zakończonego portem przełącznika 3550. Od tego momentu widać zmniejszenie amplitudy impulsów do 1,8 V, wynikłe z obciążenia układem odbiorczym przełącznika. Karta wysyła 12 identycznych paczek FLP w czasie 241 ms. W tym czasie przełącznik nadaje paczki w nieco szybszym tempie. Po wysłaniu 15 paczek rozpoczyna nadawanie modulacją MTL-3 sygnału 100 Mb/s. Po upływie czasu 141 ms, oznaczonego markerem X2, karta również rozpoczyna transmisję MTL-3. Ciekawym zjawiskiem, które udało się przy okazji tego pomiaru zaobserwować jest poziom zakłóceń przesłuchu zdalnego FEXT na parze nadawczej o poziomie ok. 300 mV pochodzącego z pary odbiorczej.
Wyniki pomiarów oceniam pozytywnie. Istnieje możliwość powtórzenia części z nich w laboratorium KTI PG za pomocą dostępnego oscyloskopu HAMEG. Ze względu na charakter przebiegów część pomiarów może być trudna do wykonania przez mniej wprawionych w pomiarach studentów i z pewnością będzie wymagana pomoc prowadzącego. W przypadku próby przeprowadzenia pomiarów w grupie niemającej żadnych podstaw w postaci ćwiczeń z metrologii niezbędne będzie przeprowadzenie tego ćwiczenia w formie demonstracji prowadzonej przez wykładowcę – asystenta. W celu przeprowadzenia tego ćwiczenia niezbędne będzie wyposażenie stanowisk studenckich w przystosowane do pomiarów karty z zamontowanymi dodatkowymi gniazdami do podłączenia oscyloskopu i transformatorami pomiarowymi – separujące oscyloskop od mierzonego obwodu.
4.1.5 Wykrywanie kabli przeplecionych Auto-MDIX
Już w czasie upowszechniania się standardu 100BASE-T zwrócono uwagę na niedogodność w łączeniu urządzeń tej samej grupy (np. karta sieciowa z kartą sieciową, przełącznik z przełącznikiem). Spowodowane to było stałym przypisaniem w urządzeniach końcowych nadajnika do pary 1-2, odbiornika do pary 3-6, zaś w wieloportowych koncentratorach odwrotnie. W przypadku chęci połączenia np. dwóch przełączników, w celu zwiększenia pojemności sieci, należało zastosować kabel o przekrosowanych parach w taki sposób, aby połączyć nadajnik jednej strony z odbiornikiem z drugiej strony. Niektóre urządzenia posiadały jeden port (często oznaczany jako „Uplink” lub „Stack”), który miał zamienione przypisanie par, lub mechaniczny przełącznik, którym można było wybrać czy nadajnik pracuje na parze 3-6 czy 1-2. Przełącznik taki oznaczano symbolem MDI/MDX, co miało sygnalizować wyjście proste (I), lub przekrosowane (X). Można było w tych przypadkach stosować normalne kable krosowe o prostym przypisaniu par, identycznym na obu końcach kabla (Rys. 75).

Rys. 75 Schematy kabla prostego i przekrosowanego (7)
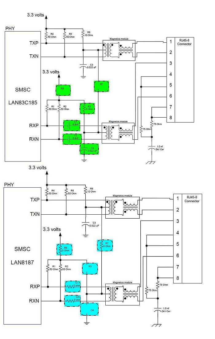
Ze względu na częstą potrzebę łączenia urządzeń tej samej grupy, odpowiadając na zapotrzebowania rynku, w laboratoriach badawczych firmy Hewlett-Packard24 opracowano rozwiązanie pozwalające automatycznie wykrywać, jakiego typu urządzenia zostały podłączone lub czy do połączenia został użyty kabel prosty zamiast przekrosowanego. Rozwiązanie zostało nazwane HP Auto-MDIX. Jego wprowadzenie wymagało zmodyfikowania transformatorów i filtrów liniowych (por. rysunki 76 i 77). Ponieważ komutacja (zamiana par) odbywać się miała już w układzie transceivera, na drodze elektronicznej układy dopasowania do medium musiały być identyczne na wszystkich parach, ponieważ nie było z góry wiadomo, która będzie służyć do nadawania, a która do odbioru. Spowodowało to również konieczność zastosowania lepszych filtrów cyfrowych w układach scalonych, rekompensujących uproszczenie filtrów klasycznych.

Rys. 76 Klasyczny układ transformatorów i filtrów nie nadajacy się do zastosowania w Auto-MDIX [opracowanie własne, na podstawie (8)]
Producenci zarówno układów scalonych, jak i hybrydowych transformatorów szybko wprowadzili na rynek układy odpowiednie do takiego rozwiązania, np. zespoły transformatorów np. S558-599-M925 firmy Bel Fuse Inc. czy zintegrowany kontroler Ethernet 10/100 z manualnym i automatycznym MD-IX typu LAN818726 lub LAN8700i firmy SMSC.

Rys. 77. Schemat układu transformatorów i filtrów nadający się do zastosowania w Auto-MDIX (8)
Modyfikacji uległ również schemat połączeń układu karty z transformatorami i gniazdem RJ-45. Przykładową zmianę układu połączeń przy zastosowaniu Auto-MDIX w porównaniu do rozwiązania klasycznego przedstawiają schematy zamieszczone poniżej (Rys. 78). Kolorem zielonym oznaczono na schematach elementy potrzebne do pracy w układzie konwencjonalnym, zaś niebieskim w trybie HP Auto-MDIX.

Rys. 78. Schemat modyfikacji układu podłączenia do medium27
Wprowadzenie Auto-MDIX spowodowało konieczność dodania do mikroukładu karty rejestrów przesuwnych, dodatkowego rejestru kontrolnego (np. Rejestr 27 w układzie 8700i SMSC) oraz układu wykrywającego sygnał strony przeciwnej (Tab. 12).

Tab. 12 Rejestr kontrolny Auto-MDIX28
Ze względu na związek z automatycznym wyborem trybu pracy mechanizm Auto-MDIX często łączony jest z autonegocjacją, choć jedynym elementem łączącym te mechanizmy jest wykrywanie obecności sygnału (dowolny sygnał transmisji, impulsy LP lub paczki FLP). Działanie tego mechanizmu jest niezależne i odbywa się bez odzwierciedlenia w protokole transmisyjnym autonegocjacji. Co więcej, bazując tylko na obecności impulsów w kanale odbiorczym, nie bierze aktywnego udziału w procesie autonegocjacji, korzystając ze specjalnych rejestrów przesuwnych29.
Fakt wprowadzenia kolejnego mechanizmu automatyzacji przyłączenia do medium spowodował kolejne wydłużenie czasu, który musi upłynąć od momentu fizycznego połączenia urządzeń do rozpoczęcia przez nie transmisji. Funkcja Auto-MDIX opóźnia zestawienie połączenia o około 700 ms (Tab. 13)30. Proces automatycznego wykrywania kabla ma miejsce przed rozpoczęciem autonegocjacji a jego działanie polega na naprzemiennym nasłuchiwaniu sygnału stacji odległej na parach 1-2 i 3-6 (równocześnie, w trakcie tych zmian, na parze która w danym momencie czasu jest parą nadawczą nadaje się paczki impulsów FLP).

Tab. 13 Porównanie czasów autonegocjacji z i bez Auto-MDIX31
Legenda:
- PMD_Link_loss – czas, po którym kontroler zauważa zanik sygnału w medium
- break_link_timer – czas odliczany od momentu zerwania połączenia, do próby ponownego jego zestawienia
- mdix_time – czas potrzebny na wykrycie typu kabla (prosty, przekrosowany)
- ability_match – czas potrzebny na wyznaczenie obsługiwanych trybów pracy
- ack_match – czas potrzebny na potwierdzenie obsługiwanych trybów pracy
- complete_ack – czas wysłania informacji o wybranym trybie pracy
- flp_link_good_check – czas na upewnienie się, czy proces autonegocjacji przebiegł prawidłowo i łącze pracuje stabilnie
- Total – całkowity czas trwania autonegocjacji
Rys. 79 Rejestracja działania mechanizmu zamiany automatycznego wykrywania kabli przekrosowanych HP Auto-MDIX [opracowanie własne]
Fakt działania mechanizmu HP Auto-MDIX zaobserwowałem przy użyciu oscyloskopu. Użyłem w tym celu karty Intel Pro 1000 GT, wyposażonej w taką funkcjonalność.
Pomiaru dokonałem przy użyciu dwóch kanałów, obserwując sygnał na parach 1-2 oraz 3-6. Cykliczne zamiany par, objawiające się naprzemiennym wysyłaniem paczek FLP na badanych parach świadczą o działaniu mechanizmu HP Auto-MDIX. Zamiana par następuję co 200 ms. Wyniki pomiarów prezentuje rysunek (Rys. 79).
4.2 Rozszerzenie autonegocjacji o obsługę standardu 1000BASE-T
W ramach opracowania standardu 1000BASE-T zostały wprowadzone rozszerzenia również do procesu autonegocjacji. Założono następujące wymagania:
- Autonegocjacja jest konieczna, a nie opcjonalna.
- Wymagane jest odpowiednie uporządkowanie wiadomości Next Pages.
- Parametry 1000BASE-T są zdefiniowane na podstawie uporządkowanej wymiany Next Pages z partnerem połączenia.
- 1000BASE-T używa statusu master / slave do zdefiniowania operacji warstwy fizycznej i określenia odpowiednich odstępów czasu dla operacji transmisji i odbioru.
- Procedura autonegocjacji odpowiada za nadanie statusu master i slave urządzeniom.
- Dodano nowe Message Codes możliwe do transmisji podczas autonegocjacji.
- Dodanie 1000BASET pół i pełnego dupleksu do tabeli priorytetów oraz MII Extended Status Register.
- Wspomaganie asymetrycznej pauzy w czasie pracy pełno dupleksowej.
Ze względu na to, że w paczce informacyjnej FLP nie było dość bitów, aby przekazać wszystkie dane niezbędne do skonfigurowania połączenia gigabitowego, postanowiono wykorzystać ostatni bit jako zapowiedź kolejnej wiadomości, a w niej zawrzeć większą porcję informacji. Ponieważ jedno słowo 16-bitowe to zbyt mało, postanowiono ten mechanizm powielić i wykorzystać sumarycznie trzy paczki danych, nazwane stronami – bazową (ang. Base page), rozszerzoną (ang. Message Next page) i niesformatowaną (ang. Unformatted next page).

Tab. 14 Rozszerzone strony autonegocjacji32
W przypadku dodatkowych informacji, które urządzenie chce nadać, jeśli są to zdolności dla 1000BASE-T, pierwszą New Page będzie zawsze Message Next – rozpoznane to zostanie po ustawionym bicie MP (D13). Message Page zawiera pewien kod, który odnosi się do przyczyny wymiany Next Pages. Przykładowo kod 8 – urządzenie chce nawiązać próbę połączenia w trybie 1000BASE-T i strona Message Next zostanie poprzedzona dwiema stronami niesformatowanymi. Kod 1 – pusta Message Next i żadne inne informacje nie będą już transmitowane.
Unformatted Next Pages – zawierają 11 bitów informacyjnych, a ich zawartość jest określana przez wcześniejsze wystąpienia strony Message Next. W przypadku Message Code 8 pierwsza UP będzie zawierać zdolności dla 1000BASE-T, wraz z opisem bitów master/slave. Druga UP zawiera wartość korzenia – ostatnia informacja, żeby zrealizować podział na master i slave.
|
Message Next Page |
||
|
bit |
funkcja |
wartość |
|
M5-M10 |
zarezerwowane |
|
|
M4 |
1000BASE-T pół dupleks |
0-nie / 1-tak |
|
M3 |
1000BASE-T pełny dupleks |
0-nie / 1-tak |
|
M2 |
typ urządzenia |
0=urz. jednoportowe |
|
1=urz. wieloportowe |
||
|
M1 |
master / slave wartość |
0=slave |
|
1=master |
||
|
M0 |
master / slave wybór manualny? |
0=automatycznie |
|
1=manualnie |
||
Tab. 15 Zawartość paczki Message Next [opracowanie własne]

Rys. 80. Przebieg autonegocjacji 10/100/100033
Konieczność przesyłania większej ilości stron informacyjnych znacznie wydłużyła czas działania autonegocjacji. W najgorszym przypadku może on wynieść 4,6 s, gdy urządzenia nie dokonują wyboru kabla za pomocą Auto-MDIX a nawet 5,3 s gdy posiadają taką funkcjonalność (Tab. 16). Przebieg autonegocjacji zobrazowany na rysunku 80 uwidacznia znacznie większą liczbę przesyłanych paczek impulsów FLP, niż miało to miejsce w rozwiązaniu 10/100 (por. rys. 65).

Tab. 16 Zestawienie czasów działania autonegocjacji 1000BASE-T34
4.2.1 Związek autonegocjacji z modelem ISO/OSI
Miejsce autonegocjacji w stosie protokołów modelu ISO/OSI nie uległ zmianie i w dalszym ciągu znajduje się na poziomie PMD (Rys. 81). Jest on szczegółowo opisany w dodatku 37 do specyfikacji standardu IEEE 802.335. Stosowanie autonegocjacji jest obowiązkowe w sieciach 1000BASE-T, ze względu na to, że jest ona wykorzystywana do wyboru urządzenia nadrzędnego i ustalenia reguł synchronizacji transmisji.

Rys. 81 Miejsce autonegocjacji Gigabit Ethernetu w modelu ISO/OSI36
4.2.2 Pomiary autonegocjacji 10/100/1000
Ponieważ kształt i charakter przebiegów w autonegocjacji oferowanej przez urządzenia standardu 1000BASE-T nie odbiega od wcześniejszego rozwiązania stosowanego dla urządzeń 10/100BASE-T, postanowiłem skoncentrować się na próbie zarejestrowania poszczególnych stron informacyjnych autonegocjacji w celu ich odkodowania. Najłatwiejszą do zarejestrowania jest paczka FLP strony bazowej (Rys. 82). Do wykonania tego pomiaru użyłem karty Intel PRO1000GT. Kartę tę wybrałem ze względu na fakt, że nie posiada ona mechanizmu auto MD-IX, częściowo blokującego wysyłanie paczek autonegocjacji do momentu ustanowienia połączenia, co utrudnia wykonywanie pomiarów. W karcie dokonałem analogicznych jak we wcześniej testowanej karcie 3Com 3C905C-TX-M przeróbek układu liniowego, tym razem stosując cztery identyczne transformatory pomiarowe.
Rys. 82 Paczka impulsów FLP, strona bazowa 1000BASE-T z ustawionym bitem Next Page [opracowanie własne]
Na oscylogramie widać, oprócz oferowanych trybów pracy, ustawiony ostatni bit – NP, oznaczający że karta posiada rozszerzone w stosunku do 100BASE-T możliwości i jest gotowa do nadania kolejnej strony informacyjnej (ang. Next-Page). Aby zarejestrować drugą stronę, musiałem uciec się do zabiegu ustalenia progu synchronizacji na niższym poziomie, wykorzystując fakt, że druga strona nadawana jest po odebraniu i potwierdzeniu pierwszej, co może się stać tylko przy istniejącym połączeniu i wynikłej z tego obniżonej amplitudzie sygnału wymuszonej przez obciążenie. Dzięki możliwościom oscyloskopu pozwalającym na synchronizację określonym przedziałem napięcia udało mi się dokonać rejestracji strony drugiej. W przypadku użycia 20-metrowego kabla i warunków zakłóceniowych typowych dla biura proces przekazywania strony drugiej powtarzany jest ok. 3-5 razy, co pozwala na zatrzymanie rejestracji ręcznie funkcją Hold. Po kilku próbach, gdzie czas od rozpoczęcia pomiaru do zatrzymania wynosi około 0,5 s, udaje się zarejestrować drugą paczkę danych (Rys. 83). Nie jest to jednak pewna metoda, nie daje ona gwarancji zarejestrowania wszystkich stron, które są wymieniane podczas dialogu. Niemniej, postępując analogicznie jak w przypadku poprzednich pomiarów, można wywnioskować, że badane urządzenie:
Rys. 83.Paczka impulsów FLP 1000BASE-T Message Next Page [opracowanie własne]
- aktualnie nadaje stronę Message Next (MP=1),
- jest urządzeniem jednoportowym (D2=0),
- aktualnie pracuje w trybie Slave (D1=0),
- wybór trybu master / slave nie jest wymuszony ręcznie (D0=0),
- urządzenie może pracować w trybie 1000BASE-T pełny dupleks (D3=1),
- urządzenie nie może pracować w trybie 1000BASE-T pół dupleks (D4=0).
W celu zarejestrowania kolejnej strony (ang. Unformatted Next Page) postąpiłem podobnie jak w przypadku drugiej, pozwalając jednakże na samodzielne zadziałanie oscyloskopu, który przez około 0,5 sekundy prezentuje stronę drugą, a następnie trzecią. Rozpoczęcie transmisji gigabitowej po zakończeniu autonegocjacji nie powoduje wyzwalania oscyloskopu ze względu na niższą amplitudę, pozwalając zatrzymać stabilny obraz trzeciej strony bez konieczności ręcznego zatrzymywania rejestracji. Wynik rejestracji zamieszczony jest na oscylogramie (Rys. 84). Cechą odróżniającą go od poprzednich stron jest wyzerowany bit NP, oznaczający, że jest to ostatnia porcja danych oraz wyzerowany bit MP, oznaczający że nie jest to strona Message Next Page tylko Unformatted Next Page.
Rys. 84 Paczka impulsów FLP 1000BASE-T Unformated Next Page
Niesie ona informacje istotne z punktu widzenia synchronizacji zegara master - slave pomiędzy przełącznikiem a kartą. Wartość komunikatu w postaci szesnastkowej: 0x23C.
Rys. 85 Przebieg autonegocjacji 10/100/1000 od podłączenia do urządzeń do rozpoczęcia transmisji [opracowanie własne]
4.2.3 Kompatybilność urządzeń 10BASE-T, 100BASE-T i 1000BASE-T
Urządzenia standardu 1000BASE-T są w pełni zgodne z poprzednimi37. Prawidłowo wykrywają i współpracują zarówno z 10- jak i 100-krotnie wolniejszymi urządzeniami (Tab. 17). Jednakże czas potrzebny do zadziałania autonegocjacji wydłuża się ze względu na konieczność obustronnego przesyłania minimum trzech stron po minimum 3 razy wraz z potwierdzeniami. Średni czas ustanowienia połączenia wynosi 1 s, zaś w przypadku obecności zakłóceń lub wznawiania połączenia po uprzednim jego zerwaniu może wynieść nawet pięć sekund.
Tab. 17 Kompatybilność urządzeń 10/100/100038
4.3 Rozszerzenie autonegocjacji o obsługę standardu 10GBASE-T
W ramach rozszerzenia funkcji autonegocjacji obsługę standardu 10GBASE-T wprowadzono szereg zmian:
- rozszerzenie stron Next Page – XNP (ang. Extended Next Page),
- optymalizacja zależności czasowych i parametrów stanu,
- dodanie rejestrów i potrzebnych dla obsługi trybów pracy 10GBASE-T,
- dodanie funkcji zarządzania dla 10GBASE-T.
Podmieniony został bit A7 w polu wyboru technologii (TAF) w ramce Base Page. Wcześniej był zarezerwowany, teraz informuje o implementacji użycia stron XNP. Pole wyboru technologii zostało skrócone z ośmiu bitów do siedmiu. Więcej zmian w stronie bazowej nie wprowadzono (Tab. 18).

Tab. 18 Struktura paczki strony bazowej autonegocjacji dla 10GBASE-T39
Oba urządzenia muszą implementować obsługę XNP, aby wykorzystać ją podczas transmisji. Jeżeli tak jest, to transmisja zawsze odbędzie się z wykorzystaniem stron XNP. Wszelkie pozostałe zasady obowiązujące dla transmisji NP są zachowane jak w poprzednich rozwiązaniach autonegocjacji.
Szczegóły XNP:
- rozszerzono stronę z 16 do 48 bitów.,
- rozszerzono ilość impulsów z 17 do 97,
- rozszerzono czas trwania paczki FLP z 2ms do 8ms,
- bity flag pozostały niezmienione,
- dwa rodzaje rozszerzonych stron: Extended Message Pages (Tab. 19) oraz Extended Unformatted Pages (Tab. 20).

Tab. 19 Struktura strony Extended Message Page w 10GBASE-T40

Tab. 20 Struktura strony Extended Unformatted Page w 10GBASE-T41
Urządzenia mogą mieć potrzebę nadania starszych komunikatów Message Codes z NP, takich jak: NULL Message, OUI Message czy też PHY Identifier. Jest to oczywiście umożliwione dzięki wykorzystaniu części stron rozszerzonych, podczas gdy niewykorzystane bity są transmitowane jako zera.
Zoptymalizowano:
- czas pomiędzy początkiem jednej paczki FLP (Rys. 86) a początkiem następnej –> 8 – 8.5 ms (było średnio 16ms),
- czas między końcem jednej paczki FLP a początkiem drugiej –> 5.7 – 6.8 ms (16 bitowe strony) 1.3 – 3.2 ms (48-bitowe strony),
- podczas wymiany stron, czas przez który urządzenie utrzymuje połączenie zanim autonegocjacja zostanie zrestartowana dla 10 Gb/s 2000-2250 ms,
- czas po którym może się pojawić kolejna paczka FLP po pojawieniu się ostatniej: 6.75–7.25 ms.

Rys. 86 Odstęp czasowy pomiędzy paczkami FLP w 10GBASE-T42
Do tej pory zdefiniowano jedną stronę rozszerzoną zawierającą właściwości charakterystyczne dla 10GBASE-T o kodzie Message Code = 9.
4.3.1 Związek autonegocjacji z modelem ISO/OSI
Tradycyjnie, jak we wcześniejszych wersjach, dla zachowania zgodności ze starszymi standardami miejsce autonegocjacji w strukturze warstwowej ISO/OSI pozostało bez zmian (Rys. 87).

Rys. 87 Miejsce autonegocjacji 10GBASE-T w modelu ISO/OSI43
4.3.2 Kompatybilność urządzeń 10GBASE-T ze starszymi urządzeniami
Kompatybilność urządzeń 10GBASE-T z starszymi, wolniejszymi wersjami standardu Ethernet została zachowana na poziomie autonegocjacji. Istnieje teoretyczna możliwość nawiązania współpracy pomiędzy urządzeniami różniącymi się tysiąckrotnie prędkością transmisji dzięki zachowaniu zgodności ramek, kształtu impulsów i znaczenia pól. Analiza materiałów konferencyjnych i publikacji dowodzi, że takie przypadki nie będą miały miejsca w rzeczywistości ze względu na przepaść technologiczną dzielącą tak skrajne rozwiązania.
Problematyczne wydaje się łączenie takich urządzeń nie tylko ze względu na nieuzasadnione nakłady finansowe i zakres zastosowań44, ale i na zupełnie inne częstotliwości pracy, wymuszające na producentach stosowanie układów liniowych o zmodernizowanej konstrukcji. Układy te, zaprojektowane do przenoszenia wyższych częstotliwości (z zakresu 100-500 MHz i więcej) tłumią sygnały niskiej częstotliwości (<10 MHz) ze względu na konstrukcję transformatorów o mniejszych ilościach zwojów i materiale rdzenia o innej przenikalności magnetycznej45. Od 2009 roku dostępne są już układy dopasowania do linii, zintegrowane z gniazdami RJ-45 o tłumieniu poniżej 1 dB w zakresie 1-500 MHz46.
4.4 Autonegocjacja w 10GBASE-KR/KX/KX4
Dla potrzeb standardu 802.3ap zdefiniowano zupełnie nowe rozwiązanie autonegocjacji. Choć idea nie jest nowa, jednakże realizacja bazuje na zupełnie innych założeniach wynikłych z charakterystyki medium i przeznaczenia urządzeń. Wykorzystane zostało kodowanie różnicowe Manchester DME (ang. Differential Manchester Encoding) używane wcześniej np. w sieciach Token Ring47 (Rys. 88). Oczywiste jest zatem, że rozwiązanie to pozwala na współistnienie na jednej pasywnej płycie bazowej urządzeń aktywnych 802.3ap we wszystkich dostępnych wersjach, jednakże nie zapewnia możliwości przyłączenia urządzeń zaprojektowanych do sieci bazujących na skrętkach.
Kiedy MDI działa na wielu liniach, np. w 10GBASE-KX4, wtedy linia 0 MDI powinna być używana do potrzeb autonegocjacji i do połączeń z jednoliniowymi PHY, stosowanymi w 1000BASE-KX czy 10GBASE-KR.

Rys. 88 Taktowanie impulsów autonegocjacji w Backplane Ethernet48
Czas nadawania pojedynczej ramki autonegocjacji wynosi około 340 ns, co w porównaniu do 10 ms w rozwiązaniu przewodowym jest ogromnym postępem (Rys. 89).

Rys. 89 Zależności czasowe autonegocjacji Backplane Ethernet49
Umiejscowienie mechanizmu autonegocjacji w modelu ISO/OSI pozostało identyczne jak w rozwiązaniach bazujących na kablach o parach skręconych (Rys. 90).

Rys. 90 Miejsce autonegocjacji dla Backplane Ethernet w modelu ISO/OSI50
Długość strony została ustalona na 49 bitów, gdzie 48 bitów przenosi użyteczną informację, a jeden dodatkowy bit o wartości pseudolosowej ma za zadanie zredukować ilość powtarzających się wzorów w transmitowanym kodzie i ograniczyć ilość interferencji. Strona zawiera informację o możliwościach danego urządzenia, takie jak: prędkość i szerokość interfejsu oraz sposób kontroli przepływu. Funkcja rozdzielania priorytetów w każdym urządzeniu pozwala na wybór najlepszego trybu wspólnego dla obu urządzeń. Również i w tym rozwiązaniu autonegocjacji pomyślano o możliwości rozbudowy standardu przez dodawanie kolejnych stron informacyjnych.
Struktura strony (Rys. 91):
- Pierwszych pięć bitów S0-S5 to pola selektora określające typ urządzenia. Dla Backplane Ethernetu jest to wartość stał i wynosi 00101.
- Kolejnych pięć bitów E0-E4 jest ustawione na wartość T-bitów jeżeli bit ACK przyjmuje wartość 1.
- Bity C1- i C2 określają możliwość stosowania pauzy podczas transmisji.
- Bit ACK przyjmuje wartość 1, gdy obie strony potwierdzają wynegocjowane parametry toru transmisyjnego.
- Bit NP jest znacznikiem następnej strony. Jeżeli jego wartość wynosi 1, oznacza to, że urządzenie jako następną prześlę kolejną stronę konfiguracyjną.
- Bity T0-T4 niosą pseudolosową wartość, tworzoną, by zapobiec samozablokowaniu się mechanizmu autonegocjacji.
- Bit A0 specyfikuje dostępność trybu 1 Gb/s na jednej linii.
- Bit A2 specyfikuje dostępność trybu 10 Gb/s na czterech liniach.
- Bit A3 specyfikuje dostępność trybu 10 Gb/s na jednej linii.
- Bity A3-A25 są zarezerwowane dla przyszłych zastosowań.
- Bit F0 jest znacznikiem sygnalizującym dostępność mechanizmu FEC zapobiegający błędom przy szybkiej transmisji.

Rys. 91 Pola ramki autonegocjacji w Backplane Ethernet51
Proces autonegocjacji odbywa się w następujący sposób:
- urządzenie wysyła cyklicznie strony informujące, jakie tryby pracy obsługuje,
- urządzenie z drugiej strony łącza również wysyła swoje strony informacyjne,
- po odebraniu trzech identycznych stron każde z urządzeń wysyła swoje strony z ustawionym dodatkowo bitem ACK,
- po odebraniu trzech stron z ustawionym bitem ACK każde z urządzeń rozpoczyna pracę w najwyższym, dostępnym dla obu stron dialogu, trybie pracy,
- jeżeli wybrana metoda połączenia zawiedzie (wystąpią błędy w transmisji) zarządca, wybrany losowo spośród urządzeń może zablokować dostępność tej metody, dokonując zmian w rejestrze kontrolnym i rozpocząć autonegocjację od nowa.
4.5 Autonegocjacja w sieciach światłowodowych
Urządzenia standardów 1000BASE-SX oraz 1000BASE-LX również zestawiają połączenia z wykorzystaniem autonegocjacji. Istnieją jednakże pewne różnice w rozwiązaniach technicznych w porównaniu autonegocjacji w standardzie 1000BASE-T ze względu na to, że medium jest światłowód, jednak ogólna koncepcja jest taka sama. Algorytm działania pozostał taki sam, zmieniły się jedynie niektóre parametry, ze względu na różnice w czasie potrzebnym na wykrycie obecności czy straty sygnałów w światłowodach, albo w skrętkach. Wymusiło to emulacje stosowanych w połączeniach opartych na medium skrętkowym impulsów FLP. W związku z tym, że w podstawowym standardzie, czyli 10BASE-FL nie było w ogóle koncepcji impulsowej wymyślono nową. Impulsy są emulowane poprzez edycje sygnału bezczynności w światłowodzie, który jest dłuższy niż ten charakterystyczny dla 10BASEFL. Sygnał długości 1,5 s jest za długi, żeby został utracony, lecz wystarczająco długi, żeby być wyraźnie rozróżnialnym spośród sygnałów bezczynności, jakie mogą być nadane w 10BASE-FL (około 0,6 s). Odstępy czasu przy autonegocjacji dla światłowodowych FLP (Fiber Link Negotiation Pulses posługując się językiem standardu 100BASE-SX) są identyczne jak w 100BASE-TX. Pozwala to zachować kompatybilność, ze względu na możliwość „korespondencji” pomiędzy impulsami skrętkowymi i światłowodowymi, więc ułatwia to zamianę z jednego medium na drugie i zastąpienie działającego połączenia na skrętkach światłowodem. Ze względu na różne długości fal w innych standardach światłowodowych nie można korzystać z autonegocjacji. Autonegocjacja na światłowodach używa również 16-bitowych ramek. Również posiada ramkę podstawową, jednak zamiast paczek FLP używa Ordered Sets.52
5 Bibliografia
- Rysunek z materiałów dydaktycznych. Por. „Autonegocjacja” (5).
- Por. „IEEE Std 802.3™-2005 Standard for Information technology - Telecommunications and information exchange between systems Local and metropolitan area networks - Specific Requirements” (97).
- Wymaganie to jest bardzo istotne ze względu na gęstość układania kabli w torach kablowych i szafach dystrybucyjnych. Istnieje duże ryzyko przeniku sygnałów impulsowych z jednego kabla do innych, powodując przekłamania transmisji – przyp. aut.
- LP (ang. Line Pulse) – impulsy nadawane w 10BASE-T podczas bezczynności łącza w celu zapewnienia ciągłości pracy układu automatycznej regulacji wzmocnienia w odbiorniku. Patrz: 3.1.1 – przyp. aut.
- Więcej informacji na temat podstaw autonegocjacji – patrz: „Auto-Negotiation, This is good stuff folks” (2) oraz „Akademia sieci CISCO CCNA semestr 1 - Podstawy działania sieci” (44 strony 309-311).
- NLP (ang. Normal Line Pulse) – rozwinięcie nazwy impulsów sygnalizacyjnych LP w nawiązaniu do historycznej zaszłości ich zastosowania w 10BASE-T – przyp. aut.
- FLP (ang. Fast Link Pulse) – szybkie impulsy łącza – przyp. aut.
- Rysunek z materiałów konferencyjnych. Por. „Gigabit Ethernet Auto-Negotiation” (33).
- Por. tamże.
- Por. tamże.
- Por. tamże.
- W początkowym okresie produkcji urządzeń wyposażonych w autonegocjację niektórzy producenci sprzętu sieciowego nieco inaczej interpretowali znaczenie poszczególnych komunikatów, stosowali niezgodną ze wzorcem priorytetyzację trybów pracy lub próbowali sygnalizować impulsami autonegocjacji komunikaty znane tylko urządzeniom ich produkcji. Powodowało to, że teoretycznie zgodne urządzenia nie mogły wynegocjować spójnych parametrów i co z tym związane nie nawiązywały połączenia. Jedynym rozwiązaniem w takim przypadku było wyłączenie funkcji autonegocjacji w jednym lub obu z mających współpracować ze sobą urządzeń i przeprowadzenie konfiguracji manualnie – za pomocą zwór, nastawników bądź programu konfiguracyjnego. Obecnie wszyscy producenci zobowiązani są do stosowania autonegocjacji zgodnej z zaleceniami IEEE 802.3 – przyp. aut.
- Patrz: „Auto-Negotiation for 10GBASE-T” (41).
- Tamże.
- Opracowanie własne, na podstawie prezentacji „An Introduction to the Auto-negotiation process” (93).
- Na podstawie „Auto-Negotiation, This is good stuff folks” (2).
- Tabele pochodzą z materiałów konferencyjnych. Por. „An Introduction to the Auto-negotiation process” (93).
- Por. tamże.
- Spóźniona kolizja (ang. Late collision) – błąd w sieci powstający w przypadku, gdy czas propagacji sygnału kolizji jest większy niż czas trwania najkrótszej ramki. Np. dla sieci 10- i 100-megbitowej zakłada się, że kolizja musi być wykryta w czasie transmisji pierwszych 64 bajtów, a dla gigabitowej 512 bajtów – przyp. aut.
- Parametry i charakterystyki rdzeni dwuotworowych – patrz: [online]: www.feryster.pl.
- Wobuloskop – elektroniczny przyrząd pomiarowy, będący w istocie połączeniem generatora o płynnie przestrajanej częstotliwości – wobulatora i sprzężonego z nim oscyloskopu. Służy do badania charakterystyki tłumienia (wzmocnienia) w funkcji częstotliwości. Pozwala ocenić charakterystykę filtrów, wzmacniaczy, tłumików, układów rezonansowych i wielu innych stosowanych w m.in. telekomunikacji i radioelektronice – przyp. aut.
- Patrz: „10/100BASE-T Lan Magnetics Single Port Transformer Modules S558-5999-K8” (8).
- Por. „IEEE Std 802.3™-2005 Standard for Information technology – Telecommunications and information exchange between systems Local and metropolitan area networks – Specific Requirements” (97).
- Rozwiązanie HP Auto-MDIX jest chronione prawem patentowym. Patenty USA 6,175,685 i 6,460,078.
- Więcej informacji w karcie katalogowej układu S558-599-M9 (8).
- Więcej informacji o układzie LAN8187HP i Lan 8700i w kartach katalogowych „LAN8700 / LAN8700i 15kV ESD Protected MII/RMII 10/100 Ethernet Transceiver with HP Auto-MDIX and flexPWR technology in a small Footprint” (7) i „Scalable 10/100 Ethernet Reference Design to Support Migration from SMSC LAN83C185 Non Auto-MDIX PHY to SMC LAN8187 HP Auto-MDIX PHY” (22).
- Schemat ideowy z materiałów katalogowych. Por. „Scalable 10/100 Ethernet Reference Design to Support Migration from SMSC LAN83C185 Non Auto-MDIX PHY to SMC LAN8187 HP Auto-MDIX PHY” (22).
- Dane z materiałów katalogowych firmy SMC. Por. „LAN8700 / LAN8700i 15kV ESD Protected MII/RMII 10/100 Ethernet Transceiver with HP Auto-MDIX and flexPWR technology in a small Footprint” (7).
- Więcej szczegółowych informacji o Auto-MDIX: patrz: „Auto-Crossover White Paper” (34).
- Na podstawie materiałów prezentacyjnych firmy Broadcom. Por. „10/100/1000 Link Timing” (12).
- Por. Tamże.
- Tabela z materiałów konferencyjnych firmy Dell. Por. „Gigabit Ethernet Auto-Negotiation” (33).
- Por. „Auto-negotiation for 10GBASE-T” (41).
- Na podstawie materiałów prezentacyjnych firmy Broadcom. Por. „10/100/1000 Link Timing” (12).
- Por. „IEEE Std 802.3™-2005 Standard for Information technology – Telecommunications and information exchange between systems Local and metropolitan area networks – Specific Requirements” (97).
- Por. „Auto-Negotiation, This is good stuff folks” (2).
- Por. „Ethernet Autonegotiation Best Practices” (31).
- Tabela z materiałów konferencyjnych firmy Dell. Por. „Gigabit Ethernet Auto-Negotiation” (33).
- Por. „Auto-negotiation for 10GBASE-T” (41).
- Por. tamże.
- Por. tamże.
- Por. „Autonegocjacja” (5).
- Por. „IEEE Std 802.3™-2005 Standard for Information technology – Telecommunications and information exchange between systems Local and metropolitan area networks – Specific Requirements Part 3: Carrier sense multiple access with collision detection (CSMA/CD) access method and physical layer specifications” (97).
- Prawdopodobieństwo zaistnienia konieczności połączenia portu Ethernet 10GBASE-T, wartego obecnie kilkaset euro, przeznaczonego do transmisji szerokopasmowych z przestarzałym portem 10BASE-T, wydaje się być znikome, zarówno ze względu na kwestie finansowe, jak i fakt, że w miejscach gdzie konieczność zapewnienia wysokich przepływności wymusza wprowadzenie urządzeń 10-gigabitowych, zapewne od lat nie stosuje się urządzeń tysiąckrotnie wolniejszych – przyp. aut.
- Więcej informacji o transformatorach dla 10 Gigabit Ethernetu – Patrz: „Magnetics for 10GBase-T” (29).
- Patrz – materiały katalogowe firmy PULSE: „Pulse Jack 10GBASE-T Magnetics Module” (79).
- Token Ring – pętlowa sieć lokalna ze znacznikami, standard IEEE 802.5. Sieć o logicznej topologii pierścienia, w której sterowanie ruchem odbywa się na zasadzie przekazywania znacznika – tokena. Więcej informacji o sieciach pierścieniowych – patrz: „Przewodowe i bezprzewodowe sieci LAN” (43 strony 154-168).
- Rysunek z materiałów konferencyjnych firmy Agere. Por. „The State of IEEE 802.3ap Backplane Ethernet” (28).
- Por. tamże.
- Rysunek z materiałów konferencyjnych firmy Agere. Por. „The State of IEEE 802.3ap Backplane Ethernet” (28).
- Wycinek slajdu z prezentacji firmy Agere. Por. tamże.
- Na podstawie: „Autonegocjacja” (5).


